梁上不能后开洞!现行标准针对框架梁都是规定的预留洞,而且需要配置附加钢筋,如果必须后开洞,则需设计单位出具方案,绝不能盲目随意,参照预留洞规范条文《高层建筑混凝土结构技术规程》JGJ3-2010第6.3.7条的基础上,后开洞更得执行四步走:①位置、②尺寸、③计算、④补强。
框架梁后开洞,明显属于破坏结构的违规操作,在当前的建筑装修或改造工程中却屡见不鲜甚至习以为常,大多作业人员根本没有结构力学的基本认知,单纯觉得只要避开主筋就可以,未经过严谨计算就盲目施工,造成结构安全隐患。

梁上后开洞屡见不鲜甚至习以为常
由于原则上框架梁不能后开洞,现行标准也没有相关条文依据,只能参照预留洞条文《高层建筑混凝土结构技术规程》JGJ3-2010第6.3.7条:

梁上预留洞规范依据
由规范可见,预留洞的要求尚且如此,后开洞更得从严执行。前三步:①位置、②尺寸、③计算,后开洞参照预留洞;第四步:④补强,后开洞由于无法梁内配置附加钢筋,只能采用梁外补强加固措施,替换方案的效果已经打折扣了,就更不能不做。以常规跨高比L/h≥5均布荷载简支梁为例来看:
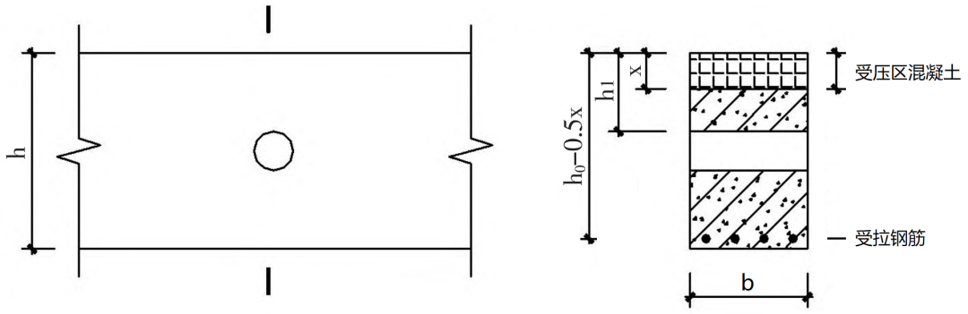
① 位置
之所以规定洞口位置宜在梁跨中1/3区段,是因为梁开洞对于剪力的削弱作用要大于弯矩,该区段梁剪力较小;同时应注意,梁若有集中荷载点,洞口位置应避开至少1.5h距离。
荷载q弯矩M剪力V示意图
② 尺寸
后开洞的尺寸限制要比预留洞更保守,预留洞尺寸要求不超过梁高40%,根据经验,后开洞尺寸应该不超过梁高30%,比如,500㎜高梁的后开洞尺寸应不大于150㎜;同时应注意,洞口不得削减受压区混凝土高度x。

梁上后开洞位置尺寸示意图
③ 计算
基于示意图,对拟开洞后的梁进行抗弯承载力、抗剪承载力计算,分别依据《混凝土结构设计规范》GB50010-2010第6.2.10条、第6.3.3条:
抗弯承载力M=fy×As×(h0-0.5x)
抗剪承载力V=0.5×βh×ft×b×h0
复核开洞后的抗弯承载力、抗剪承载力,均应大于设计工况要求值。
如果复核计算不满足要求,则还需视情况采用粘钢板或增大截面法加固措施。
④ 补强
由于后开洞无法依照规范在梁内配置附加钢筋,只能采用梁外补强加固措施,特别是切断了梁内箍筋,非常有必要在梁外采用碳纤维约束补强。具体做法如下:
首先,由于开洞会切断箍筋,洞内侧壁外露钢筋保护层可以薄涂一层聚合物砂浆;

洞内侧壁抹砂浆保护层
然后,洞口外侧上下左右分别粘贴碳纤维U型箍和压条,宽度、厚度和间距根据实际情况确定,也可参照下图示意做法。

梁外碳纤维约束补强
再次说明,原则上,梁上不能后开洞,未经设计单位出图不得擅自作业。
