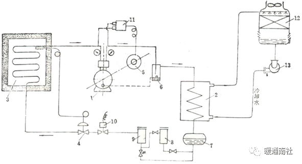
在压缩式制冷装置中,除了必须的压缩机、冷凝器、蒸发器以外,还有许多改善制冷系统系数和保证运转安全不可缺少的辅助设备,如图1(1-5)所示:
1、压缩机;
2、冷凝器;
3、蒸发器;
4、热力膨胀阀:调节制冷剂流量,在小型制冷器中俗称毛细管;
5、电动机;

图1 制冷机组
6、油分离器:作用是将在压缩后气体中的汽化润滑油和制冷剂分离并排回压缩机内;
7、储液器:起着调剂和储存制冷剂的作用;
8、干燥器:吸出在制冷循环中制冷剂含有的水分;
9、过滤器:过滤出在制冷循环中制冷剂存有的污物(油污、铁屑等);
10、电磁阀:启停制冷工作时,开通或断开制冷剂的供应;
11、高压继电器:安全控制压缩机高低压之间平衡和工作压力差。
这是一套通用的制冷系统,普遍应用于冷库、中央空调、制冰等制冷机组中。
冷却系统:

图2 中央空调水系统
在压缩过程中产生的大量热量如何消除,如图2所示,这就由冷凝器2、冷却水泵13和冷却塔12所组成的冷却系统来完成。冷却水循环系统:冷水、温水、冷却水泵、主机、冷却水塔;水泵将冷水压入冷凝器中,冷却冷凝器中的盘管并排出较高温度的热水,送入冷却塔后,经过淋水和风机散热后边为冷水又由水泵抽入冷凝器中,如此循环使用。其中水泵即称为冷却水泵。
上述为水冷式系统,如果是风冷式则使用风机直接冷却冷凝器,不需要水泵和冷却塔,适用于小型制冷系统。
冷却冷冻系统分类:
从图2可以看出,由不同设备组成形成了不同的制冷系统:
1、直膨式:借由冷媒直接与室外空气进行热交换,例如窗型冷气、分离式冷气、直膨式中央系统。
2、水冷式:系指三大循环系统一般以水为媒介:
冷水循环系统:将低温7-13℃冷冻水由主机送出,至室内送风机,送风机在对室内作热交换,使温水温度提高5℃左右,再回到主机做热交换;
冷却水循环系统:主机产生的温水循环至冷却水塔与外界做热交换后再将冷却水送回主机做热交换;
冷媒系统:冷媒经由冷凝器与冷却水做热交换,再经过机组做热交换。
3、气冷式空调系统:气冷式空调二大循环系统以水为媒介:
冷水循环系统:将低温7—13℃冷冻水由主机送出,至室内送风机,送风机在对室内作热交换,使温水温度提高5℃左右,再回到主机做热交换;
冷媒系统:冷媒经由冷凝器与冷却水做热交换,再经过机组做热交换。
气冷式空调系统与水冷式最大不同点在于,水冷式是以冷却水用冷却水塔散热至室外,气冷式冷媒用风扇散热至室外。所以气冷式需摆在室外、屋顶或阳台以利直接对外散热。
除了小型空调系统直接风冷式无需配置水泵外,其他制冷系统一般需要配置水泵进行循环驱动。该系统所配备的水泵称为冷冻水泵。
膨胀水箱预补水:
在整个水制冷的循环中,为保证系统中始终具有充足的冷冻水,克服环境温度的变化因素,一般在系统的高位设置一个名为膨胀水箱的设备。
在水制冷系统中,循环制冷用水由于系统蒸发、设备泄漏等冷冻水的损失,以及在初始管道系统加水,均需要单独水泵供水于膨胀水箱中。该水泵称为补水泵,是由膨胀水箱中的液位控制器进行运行控制。
水泵的结构与原理:

水泵适用于输送介质温度低于80℃的清水或类似清水物理、化学性质的其它液体;特配耐磨式机械密封可输送带有细小颗粒的液体介质;水泵的过流部分和联结部分采用铸钢材料,泵可在1.6Mpa以上系统压力(吸入口压力+泵扬程)中工作。水泵广泛应用于工业和城市给排水、空调冷冻冷却循环水、泳场浴室的冷暖供水、消防增压、园林园艺喷淋喷灌、工业设备的配套等远距离输送。

常用单位换算:
一、冷量单位转换:
1冷吨(RT)=3024大卡(Kcal/h)=3517瓦(W)
二、常用冷却水量的计算:
冷却水量:1冷吨(RT)所需水量10~13L/min;
冷冻水量:1冷吨(RT)所需水量10~12L/min。
三、动力计算:
1、水动力Pw(Kw)=δ×H×Q÷6120
其中:δ为比重,水的比重=1Kg/L;H为扬程,单位是m;Q为流量,单位是L/min。
2、水泵轴功率Pg=Pw÷η
其中:η为泵之效率,可参考表3-1。
水泵的性能曲线图:
水泵的性能曲线图是产品最主要的技术文件,是选用水泵的重要技术依据。
图3-1为2P电机(2900rpm)转速的水泵性能曲线图,图3-2为4P电机(1450rpm)转速的水泵性能曲线图。
1、2P和3P的选择:
电机功率小于或等于7.5Kw,最佳选用2P电机,即可以减小水泵总体尺寸,也可减少设备投资。在实际使用中与相当的4P电机水泵并无太大的区别;电机功率大于7.5Kw以选取4P电机水泵为佳。
2、最佳的工作点是选择在性能曲线上,如果偏离曲线,应特别说明。

图3-1 2900rpm转速(2P电机)水泵性能曲线图

图3-2 1450rpm转速(4P电机)水泵性能曲线图
水泵的选型:
一、快捷选型法
根据日常工程应用技术而编制的冷却、冷冻回路水泵配套技术对照表(各厂商技术手册)。
其中的简易回路选型表主要使用于与冷却塔循环的水泵选型;复杂回路选型表主要使用于与诸类空调箱等冷冻设备循环的水泵选型。
如果需要多泵一备配置,其水泵数量确定:冷冻冷却总水量×1.1÷单泵配置水量+1。
二、简单估算法:
1、冷冻水循环系统
额定流量Q=Q×1.1
Q=主机内冷冻机组额定流量
额定扬程H=(H+H)×1.2~1.5
H=主机内冰水器阻损,H=送风机组阻损
2、冷却水循环系统
额定流量Q= Q×1.1
Q=冷却水塔冷却额定流量
额定扬程H=(H+H+H)×1.2~1.5H=主机内冷凝器阻损
H=冷却水塔阻损
H=冷却水塔与储水液面之间高度差
3、依据上述计算出的流量、扬程结果,通过查阅性能曲线图选出适当型号的水泵。


举例:
冷却水系统的计算与选型
1、设备的技术要求:
(1)7000 NCMH COMP:
进口压力:3~5 kgf/cm;
工作流量:900 L/min;
压力损失:第一段0.065 kgf/cm;第二段 0.05 kgf/cm;第三段 0.03 kgf/cm;
进口水温:小于32℃;
冷却水温升:6℃;
设备数量:4台
(2)13000 NCMH COMP:
进口压力:3~5 kgf/cm
工作流量:2328 L/min
压力损失:第一段0.075 kgf/cm;第二段0.084 kgf/cm;第三段 0.063 kgf/cm;
进口水温:小于 32℃;
冷却水温升:6℃;
设备数量:2台。
2、冷却水泵的参数计算:
(1)流量的计算:
根据设备冷却水量的要求:
7000 NCMH COMP,4台×900 L/min=3600 L/min=216 T/H
13000 NCMH COMP,2台×2328 L/min=4656 L/min=279.36 T/H
合计用水总量Qc=216+279.36=495.36 T/H
考虑到实际流量的安全系数、备用以及今后发展的需要,确定安装总水量:
Q=Qc×1.5=495.36×1.5=743.04 T/H
(2)扬程的计算:
设备的进口压力要求3~5 kgf/cm,即系统工作扬程ha=30~50M,取中值为ha=40M。
水泵所需扬程H的计算根据系统的复杂程度,比系统工作扬程提高1.2~1.5倍,因此选取系数1.2,计算如下:H=ha×1.2=40×1.2=48M
3、冷却水泵的型号确定:
为均衡匹配五台冷却塔,并且保持一台应急备用泵,值此选取水泵五台:
卧式直接式泵技术数据如下:
扬程H=48 M;流量Q=180 T/H;电机功率P=37 kw;电机转速n=2900 r/min。
泵的安装、运行维护:
安装说明:
1、水泵应安装在水平水泥平台上,平台表面各边距水泵至少100mm,平台厚度至少为20倍地脚螺栓直径。

2、安装前应检查泵浦是否完好及机组紧固件有无松动现象,泵体流道有无异物堵塞,以免水泵运行时损坏叶轮和泵体。
3、安装时必须拧紧地脚螺栓,以免启动时振动对泵性能产生影响。
4、水泵出水管上装止回阀;如果是需要吸程的,则入水管上需装底阀。前者防止停车时所产生逆流有害于水泵回转体,后者防止停车时泵内液体从入水管中流出,以免于下次启动前再次灌引水。入水管口处应安装滤网或隔栅以免异物进入泵内损坏水泵。
5、为了维修方便和使用安全,在泵的进水管(自灌式)和出水管路上各安装一只调节阀及在泵出口附近安装一只压力表,以保证水泵在额定扬程和流量范围内运行,确保泵浦正常运行,延长水泵使用寿命。
6、安装后拨动泵轴,叶轮应无磨擦声或卡死现象,否则应将泵拆开检查原因。
启动与停车:
一、启动前准备
1、试验电机转向是否正确,从电机端往泵看为顺时针旋转,试验时间要短,以免使机械密封千磨损;若反转则对调电机任意两相电源线即可。
2、打开排气阀使液体充满整个泵体,待灌满后关闭排气阀。
3、检查各部位是否正常。
二、启动
1、全开进口阀门。
2、关闭出水管路阀门。
3、启动电机,观察泵运行是否正常。
4、调节出口阀开度至所需工况;若用户在泵出口处装有流量计和压力表,应通过调节出口阀开度使泵在性能参数表的额定点上运行;测量泵的额定电流,使电机在额定电流内运行,否则会造成泵超负荷运行(即大电流运行)致使电机烧坏。
5、检查电机定、转子及轴承温度,应小于70℃,环境温度为5℃≤t≤40℃。
三、停车
1、逐渐关闭出水管路阀门,切断电源。
2、如果环境温度低于0℃,关闭进口阀门(注意:下次开机之前必须先将其打开),并将泵内液体放尽,以免冻裂。
4、 如果长期停机,应对水泵做好拆卸清理等维护工作。
水泵的维护:
一、运行中维护
1.进口管道必须充满液体,禁止泵在气蚀状态下长期运行。
2.定时检查电机电流值,不得超过电机额定电流。
3.泵长期运行后,由于机械磨损,使机组噪音及振动增大时应停车检查,必要时可更换易损零件及轴承,一般以一年为大修周期。
二、维修装配
1.将机械密封静环及O型圈装入中承座,将中承座装入电机法兰止口,用螺栓联接电机与中承座并将螺栓拧紧。
2.在轴上装入机械密封动环装置(注意机械密封端面要清洁) 装入键及叶轮,拧入叶轮螺母。
3.在泵体上装上密封环和螺塞。
4.装入泵体,拧紧螺母。
维修拆卸:拆卸过程与装配过程顺序相反。
注意事项:注意严禁无故触摸机械密封配合表面和敲击机械密封。
三、机械密封的维护
1.机械密封应清洁无固体颗粒。
2.严禁机械密封在干磨情况下工作。
3.启动前应先盘动泵(电机散热片)几圈,以免突然启动造成机封断裂损坏。
4.机械密封应无泄漏,否则应检查或更换。
四、轴承的维护
轴承一般可以使用二年,小功率电机是免维修的,大功率电机(30KW以上)使用1500小时必须进行加油维护。加油维护时,必须首先松开电机轴承下面的放油孔,从注油孔注入黄油,直至从放油孔流出新的黄油为止。
异常和相应处置:
故障检修的基本工作:
a) 外观:检查是否有异样;
b) 测量电压、电流:测量静止及直接启动时电压、电流以了解是电动机或是泵体故障;
c) 工作部件检查:拆卸机器确定正确原因。

水泵典型故障检修顺序:扬程不足
